Page top

Industrial Automation

Industrial Automation

Discontinued On Mar. 2023

V400-F

2D Code Reader

V400-F

Created to meet real-world production site needs.

* Information in this page is a reference that you created on the basis of information in the product catalog before the end of production, may be different from the current situation, such as goods for / supported standards options / price / features of the product. Before using, please check the compatibility and safety system.

(Unit: mm)

2D Code Readers

V400-F050

V400-F Dimensions 3 V400-F050_Dim

V400-F250/350

V400-F Dimensions 5 V400-F250_Dim

Communications Cable and Monitor Cable

V400-W23/23P/24/24P

V400-F Dimensions 8 V400-W23_Dim

V400-WM0

V400-F Dimensions 10 V400-WH0_Dim

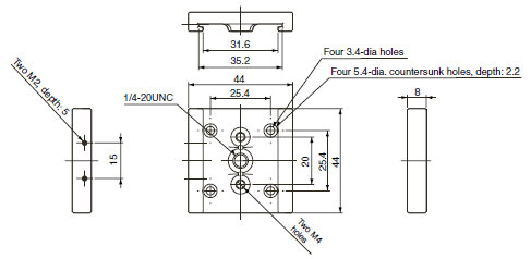
Mounting Base

V400-F Dimensions 12 V400-F_Dim