Page top

Industrial Automation

Industrial Automation

Discontinued On Mar. 2022

H7CN

Solid-state Counter

H7CN

All Required Counter Functions Incorporated in a Compact DIN-sized (48 × 48) Housing

* Information in this page is a reference that you created on the basis of information in the product catalog before the end of production, may be different from the current situation, such as goods for / supported standards options / price / features of the product. Before using, please check the compatibility and safety system.

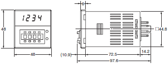
(Unit: mm)

H7CN

H7CN Dimensions 1

Accessories

Adapter for Flush Mounting

Y90F-30

H7CN Dimensions 4

Panel Cutout

The standard panel cutout is as shown below. (Panel cutout conforms to DIN43700.)

H7CN Dimensions 5

Panel cutout for side-by-side mounting of two or more Units

H7CN Dimensions 6

When mounting n Counters in a line, dimension A can be calculated from following formula.
A = (48n-2.5) +1, 0

Connecting Sockets

H7CN

H7CN Dimensions 9

H7CN-[][]NM

H7CN Dimensions 10

Protective Cover

The Protective Cover shields the front panel, particularly the count value setting section from dust, dirt and water, and prevent malfunctioning of the Counter due to static electricity.

H7CN Dimensions 12

Note: 1. The Hard Protective Cover prevents the set count value from being altered due to accidental contact with the
              pushtype thumbwheel switch.
           2. The Soft Protective Cover allows the set value to be set by depressing the thumbwheel switches through it.
                It may be, however, difficult to make setting changes of the Counter with the Y92A-48B Protective Cover
                attached, which must be taken into consideration before using the Y92A-48B Protective Cover.